产品详情

GNSS天线BT-25C

Beitian北天GPS+北斗双频5cm线长IPEX端子有源内置陶瓷天线BT-25C

深圳市北天通讯有限公司成立于2013年,公司是一家集研发、生产和销售为一体的北斗定位GPS模块、GPS天线原厂厂家。公司位于广东,在深圳、东莞两地均有办公及生产场地,占地约6000余平米。产品有:GPS天线、GNSS天线、RTK天线、北三RDSS天线、GPS模块、GNSS模块、板卡、GNSS接收机、北斗模块。
编号 BT-25C
类型 GNSS天线
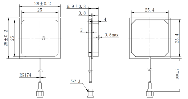
规格 28*28*7mm
品牌 Beitian
型号 BT-25C
产品详情

参数表:

一、 陶瓷天线特性

技术要求

技术指标

备注

接收频率范围

Range Of Receiving Frequency

GPS L1:1575.42MHz

GLONASS L1:1602MHZ


增益

Gain at Zenith

2.0dBi

30*10 mm接地底板上测试

输出驻波比

Output VSWR

<1.5

中心频率

输出阻抗

Impendance

50Ω


带宽

Band Width

±10MHz

Return Loss-10dB

回损-10dB

极化方式

Polarization

右旋圆极化(RHCP)


天线轴比

Axis ratio

<3dB

中心频率

水平面覆盖角度

Horizontal coverage angle

360°


二、 LNA指标

技术要求

技术指标

增益(不含馈线)

Gain

28±2dB

噪声系数

Noise figure

<2dB(仅LNA

输出驻波比

Output VSWR

<1.5

输出阻抗

Output impedence

50Ω

带内增益平坦度

Passband   Ripple

±2.0dB(仅LNA

LNA 输出1dB压缩点

1dB compression   point   output

>-10dBm(仅LNA

供电电压

Prime power

2.8V-5.0V

工作电流

Operating current

20mA

三、 工作环境

工作温度

Operational Temperature

-25+75

存储温度

Storage Temperature

-40+85

湿度

Wet degree

40%95%

四、 结构特性

尺寸mm

Size

28*28*7mm

陶瓷片尺寸

Antenna Size

25*25*4mm

接头

connector

SMA公头

线材

cable

RG174线

线长

Length

10cm

六、结构图

地址:深圳市龙华区福城街道福民社区狮径路15号福城数字创新园一单元901-905九楼整层                         
电话:+86-0755-22225474                   
传真:+86-0755-22225474
销售:sales@beitian.com
工程:engineer@beitian.com
网址:http://www.beitian.com