一、 产品介绍 |
BT-2720是一款GNSS有源天线,该天线具有高增益、小型化、高灵敏度、多系统兼容及高可靠性等特点,可有效满足用户的使用需求。 1、采用单馈点设计和完全对称天线结构,具有非常稳定的相位中心,降低天线对测量误差; 2、增益高,驻波比低,对低仰角信号接收效果明显,在遮挡较严重的场合能正常收星; 3、配备抗多径扼流板,具有防浪涌设计,能有效仰制带外强干扰信号,确保天线的可靠性; |
二、 应用领域 |
此天线覆盖BDS B1 GPS L1/L5 GLONASS L1的有源天线,满足目前GNSS测量设备对多系统兼容和有源的需要,可配合多种卫星导航接收机使用,广泛应用于大地测绘、航道测绘、精准农业及海洋测量等领域,也可根据应用条件选择应用于其他领域。 |
三、 主要技术参数 |
天线参数Antenna Specifications |
支持系统Support system | GPS: L1, L1C,L5C BDS: B1I,B1C,B2a Galileo: E1, E5a QZSS: L5 IRNSS:S-L5 |
频率范围 Frequency Range(MHz) | L1/B1: 1561-1575.42 L5: 1176 |
增益 Gain(dBi) | 0 |
天线轴比 Antenna AR (dB) | ≤3.0 |
水平覆盖角度Horizontal coverage angle | 360° |
输出驻波VSWR | ≤2 |
极化方式 Polarization | 右旋圆极化 Right-hand circular polarization |
端口阻抗 Port Impedance(Ω) | 50 |
电气参数 Electrical Specifications |
LNA增益 Gain(dB) | 28±2 |
噪声系数 Noise figure(dB) | ≤2 |
输出电压驻波比 VSWR | ≤2.0 |
带内平坦度In-band flatness(dB) | ±2 |
工作电压 Operating voltage(V) | 2.8-5.0 |
工作电流 Operating current(mA) | <30 |
结构特性 Structural Characteristics |
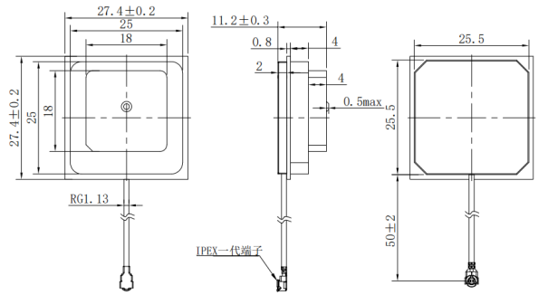
接头型号 Connector type | IPEX一代 |
天线尺寸 Antenna size(mm) | 27.4*27.4*11.2 |
线材cable | RG1.13 |
线长Line length | 5cm |
工作环境 Working Environment |
工作温度 Operating temperature(℃) | -40 - +85 |
存储温度 Storage temperature(℃) | -55 - +85 |
湿 度Humidity | 95% 不冷凝 |
四、 产品尺寸图 |

|