一、 产品介绍 |
|
|
BT-720N是一款多星授时天线,该天线具有高增益、小型化、高灵敏度、多系统兼容及高可靠性等特点,可有效满足用户的使用需求。 1、采用多馈点设计和完全对称天线结构,具有非常稳定的相位中心,降低天线对测量误差; 2、增益高,驻波比低,对低仰角信号接收效果明显,在遮挡较严重的场合能正常收星; 3、配备抗多径扼流板,具有防浪涌设计,能有效仰制带外强干扰信号,确保天线的可靠性; 4、采用PC材料设计,兼具美观的同时确保天线外壳长时间户外使用不变色。 |
二、 应用领域 |
此天线覆盖GPS L1 BDS B1 Galileo E1 GLONASS L1授时天线,满足目前GNSS测量设备对多系统兼容和高精度用户的需要,可配合多种卫星导航接收机使用,广泛应用于大地测绘、航道测绘、精准农业及海洋测量等领域,也可根据应用条件选择应用于其他领域。 |
三、 主要技术参数 |
天线参数Antenna Specifications |
频率范围 Frequency Range(MHz) | GPS L1 BDS B1 Galileo E1 GLONASS L1 |
增益 Gain(dBi) | 4 |
天线轴比 Antenna AR(dB) | ≤3.0 |
水平覆盖角度Horizontal coverage angle | 360° |
输出驻波VSWR | ≤2.0 |
极化方式 Polarization | 右旋圆极化 Right-hand circular polarization |
端口阻抗 Port Impedance | 50Ω |
电气参数 Electrical Specifications |
LNA增益 Gain(dB) | 28±2 |
噪声系数 Noise figure(dB) | ≤2 |
输出电压驻波比 VSWR | ≤2.0 |
带内平坦度In-band flatness(dB) | ±2 |
工作电压 Operating voltage(V) | 2.8-5.0 |
工作电流 Operating current(mA) | ≤45 |
防浪涌(冲击)抗扰度性能 Anti-surge (shock) immunity performance | 峰值电压3000V 采用电压和电流组合波 脉冲数量3 (2个正极性,1个负极性) 重复时间60秒 |
结构特性 Structural Characteristics |
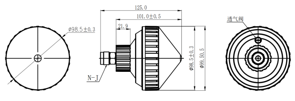
接头型号 Connector type | N-J |
天线尺寸 Antenna size(mm) | Φ99.5*125 |
重量 Weight(g) | 270 |
是否防雷Lightning protection or not | 是 |
工作环境 Working Environment |
工作温度 Operating temperature(℃) | -40 - +70 |
存储温度 Storage temperature(℃) | -55 - +85 |
四、 产品尺寸图 |

|
五、 安装方式 |

|
六、 配件图 |

| 
|